20年专注压力测量
压力传感器
水压监测采集终端
打气泵方案与芯片
13510710521
产品中心
20年专注压力测量、传感器芯片领域产品研发与生产
分类目录 products
联系我们 contact
联系邮箱:
1763864962@qq.com
联系地址:
深圳市光明区凤凰街道南太云创谷2栋14楼
联系电话:
热门标签Hot Tags
TKJN101D搅拌机传感器
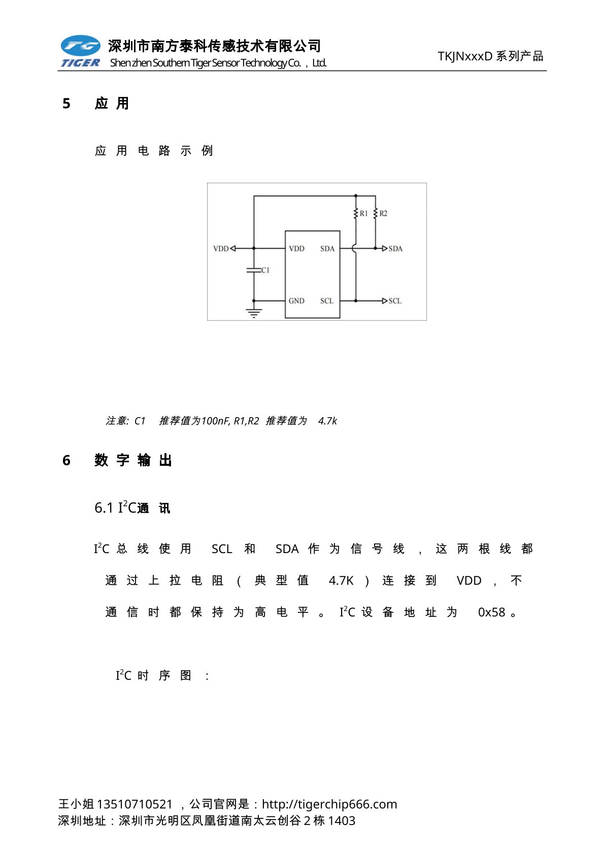
TKJNxxxD系列压力传感器为高灵敏度的智能型数字输出压力传感器芯片,集成度高,体积小。压力测量采用扩散硅压力传感器芯片,内部带24位高精度ADC及信号处理算法,数字I2C输出功能、出厂已做温度补尝、可以在外部环境温度-40℃~+125℃,压力量程内,输出高精度的压力值和温度值,具有良好的线性及长期稳定性。
产品概述
热门标签 Hot Tags
热门推荐 · recommendation
TKVN152D 空压机传感器 防水防油耐腐蚀
TKJN201A 贴片机器压力传感器
TKJNxxxA系列压力传感器为高灵敏度的标准电压输出型压力传感器芯片,集成度高,体积小。压力测量采用扩散硅压力传感器芯片,内部带24位高精度ADC及信号处理算法,DA输出、出厂已做温度补尝、可以在外部环境温度-40℃~+125℃,压力量程内,输出与压力值线性比例的电压信号。
TKUN301A涡轮增压传感器,轮胎气泵传感器
TKZN003A环保仪器传感器
TKZNxxxA系列差压传感器是一款专为压力测量设计的高性能压力传感器。其核心部件采用先进的MEMS技术制造的硅压阻式压力敏感芯片,内部集成了专用的ASIC芯片。该ASIC利用数字补偿技术,针对传感器的偏差、灵敏度、温度漂移和非线性误差进行校正,从而提供经过精准校准和温度补偿的标准电压输出信号。传感器以供电电压作为参考源,确保输出信号的可靠性和一致性。 TKZNxxxA系列采用紧凑的SOIC-16
TKZN003D便携式制氧机传感器
TKZNxxxD系列差压传感器专为差压测量设计。其核心采用MEMS技术制造的硅压阻式芯片,利用正反两面引压嘴感受压力差,并转换为与压力差成比例的电信号。内部集成的电路对偏移、灵敏度、温漂和非线性进行数字补偿,输出经过校准和温度补偿的数字信号(通过IIC接口)。 该传感器采用SOIC16封装,配备两个采用倒钩管设计的引压嘴,配有防脱结构,确保密封可靠,防止漏气,结构便于安装且具有较高的可靠性。
TKJN010A睡眠呼吸机 电压输出传感器
TKZNxxxD系列差压传感器
TKZNxxxA系列差压传感器
TKXN-A系列压力传感器采用SOP8封装
1.2产品特点 MEMS技术 表压形式 SOP8带气嘴封装形式 防潮和防油 高精度扩散硅压力传感芯片 测量范围:-100KPa~0KPa~5KPa~700KPa,可定制 供电范围:3.0~5.5V 输出方式选择:标准电压输出,或比例电压输出
TM201模组是一款适用于机油压力及温度测量的传感器模组
TKYNxxxD压力传感器是一款专为差压测量设计的器件
TKYNxxxA系列差压传感器是一款专门针对差压测量的高效压力传感器
该传感器采用SOP8封装,两个引压嘴设计为倒钩管,便于安装且兼具高可靠性。可以根据客户需求标定输出信号,广泛应用于医疗保健、工业检测、运动器材及小家电等多个领域。
TKWPxxx系列压力传感器为高灵敏度的智能型数字输出压力传感器芯片
TKVNxxxD系列压力传感器为高灵敏度的智能型数字输出压力传感器芯片
TKVNxxxA系列压力传感器为高灵敏度的标准电压输出型压力传感器芯片
TKUNxxxD系列压力传感器为高灵敏度的智能型数字输出压力传感器芯片
TKUNxxxA系列压力传感器为高灵敏度的标准电压输出型压力传感器芯片
TKJPxxx系列压力传感器为高灵敏度的智能型数字输出压力传感器芯片
TKJNxxxD系列压力传感器为高灵敏度的智能型数字输出压力传感器芯片
TKJN-A系列压力传感器为高灵敏度的标准电压输出型压力传感器芯片
微信咨询
关注微信
qq咨询
电话咨询
回到顶部